Property
Account |
| Property ID: | 558355 | Abbreviated Legal Description: | LOT C SP 81-80.23101.200-3120 V1 SP P152 AF#399589 |
| Geographic ID: | R23101-185-3130 | Agent Code: | |
| Type: | Real | | |
| Tax Area: | 512 - APPRAISER-Stan/Cam Schl Dist, improved, greater than 1 acre | Land Use Code | 11 |
| Open Space: | N | DFL | N |
| Historic Property: | N | Remodel Property: | N |
| Multi-Family Redevelopment: | N | | |
| Township: | 31 | Section: | 01 |
| Range: | R2 |
Location |
| Address: | 268 MOUNTAIN CREST CT CAMANO ISLAND, WA 98282 | Mapsco: | |
| Neighborhood: | Cycle 5 | Map ID: | 450 |
| Neighborhood CD: | 5 |
Owner |
| Name: | BLAKELY, BRIAN L | Owner ID: | 296887 |
| Mailing Address: | SEBLE SEIFU 268 MOUNTAIN CREST CT CAMANO ISLAND, WA 98282 | % Ownership: | 100.0000000000% |
| | | Exemptions: | |
Taxes and Assessment Details
Values
| (+) Improvement Homesite Value: | + | $0 | |
| (+) Improvement Non-Homesite Value: | + | $286,570 | |
| (+) Land Homesite Value: | + | $0 | |
| (+) Land Non-Homesite Value: | + | $330,000 | |
| (+) Curr Use (HS): | + | $0 | $0 |
| (+) Curr Use (NHS): | + | $0 | $0 |
| | | -------------------------- | |
| (=) Market Value: | = | $616,570 | |
| (–) Productivity Loss: | – | $0 | |
| | | -------------------------- | |
| (=) Subtotal: | = | $616,570 | |
| (+) Senior Appraised Value: | + | $0 | |
| (+) Non-Senior Appraised Value: | + | $616,570 | |
| | | -------------------------- | |
| (=) Total Appraised Value: | = | $616,570 | |
| (–) Senior Exemption Loss: | – | $0 | |
| (–) Exemption Loss: | – | $0 | |
| | | -------------------------- | |
| (=) Taxable Value: | = | $616,570 | |
Taxing Jurisdiction
| Owner: | BLAKELY, BRIAN L | | |
| % Ownership: | 100.0000000000% | | |
| Total Value: | $616,570 | | |
| Tax Area: | 512 - APPRAISER-Stan/Cam Schl Dist, improved, greater than 1 acre |
| CF | Conservation Futures | 0.0316035091 | $616,570 | $616,570 | $19.49 | | |
| EMS1 | Fire & Rescue Dist #1 Camano GEN (EMS) | 0.3677864386 | $616,570 | $616,570 | $226.77 | | |
| FIRE1 | Fire & Rescue Dist #1 Camano GEN | 1.2502910536 | $616,570 | $616,570 | $770.89 | | |
| FIRE1BOND | Fire & Rescue Dist #1 Camano BOND | 0.1570001679 | $616,570 | $616,570 | $96.80 | | |
| CE | County Current Expense | 0.3708482477 | $616,570 | $616,570 | $228.65 | | |
| CR | County Roads | 0.4584763726 | $616,570 | $616,570 | $282.68 | | |
| LCIB | Library Sno-Isle BOND (Camano Island) | 0.0396325772 | $616,570 | $616,570 | $24.44 | | |
| LIB | Library Sno-Isle GEN | 0.3153421757 | $616,570 | $616,570 | $194.43 | | |
| SCH205_401 | School 205-401 Enrichment | 1.2698420524 | $616,570 | $616,570 | $782.95 | | |
| SCH205BOND | School 205-401 BOND | 0.9396497583 | $616,570 | $616,570 | $579.36 | | |
| ST | State School | 1.3035497053 | $616,570 | $616,570 | $803.73 | | |
| ST2 | State School Part 2 | 0.8169543533 | $616,570 | $616,570 | $503.71 | | |
| | Total Tax Rate: | 7.3209764117 | | | | | |
| | | | | Taxes w/Current Exemptions: | $4,513.90 | | |
| | | | | Taxes w/o Exemptions: | $4,513.90 | | |
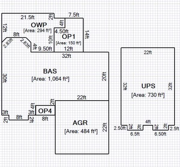
Improvement / Building
| Improvement #1: | RESIDENTIAL | State Code: | Y | 2515.0 sqft | Value: | $286,570 |
| Bathrooms: | 1 | Bedrooms: | 1 | | Ceiling: | DRYWALL PAINTED | Exterior Wall/Cover: | CEMENT FIBER | | Floor Covering: | CARPET/VINYL 60-40 | Floor Structure: | SLAB ABOVE GRADE | | Foundation: | CONCRETE | Heating: | BASEBOARD ELECTRIC | | Interior Finish: | DRYWALL PAINT | Plumbing Fixture Cnt: | 6 | | Roof Slope: | 5" IN 12" | Roof Structure/Cover: | CJ ALUMINIUM HEAVY |
|
| | Type | Description | Class CD | Sub Class CD | Year Built | Area |
| | BAS | BASE/MAIN FLOOR | 3 | 0 | 2008 | 1515.0 |
| | UPS | UPPER STORY | 3 | 0 | 2008 | 1000.0 |
| | OP4 | OPEN PORCH W/CEILING-ROOF | 3 | 0 | 2008 | 250.0 |
| | oPOL | POLE BARN | 3 | 0 | 2008 | 864.0 |
| | oCAR | CARPORT | 4 | 0 | 2008 | 864.0 |
Sketch
Property Image
Land
| 1 | 32 | AC (03.01-09.99) | 5.0000 | 0.00 | 0.00 | 0.00 | 1.00 | $330,000 | $0 |
Roll Value History
| 2026 | N/A | N/A | N/A | N/A | N/A |
| 2025 | $286,570 | $330,000 | $0 | $616,570 | $616,570 |
| 2024 | $243,107 | $300,000 | $0 | $543,107 | $543,107 |
| 2023 | $245,267 | $290,000 | $0 | $535,267 | $535,267 |
| 2022 | $223,810 | $290,000 | $0 | $513,810 | $513,810 |
| 2021 | $263,429 | $190,000 | $0 | $453,429 | $453,429 |
| 2020 | $257,767 | $160,000 | $0 | $417,767 | $417,767 |
| 2019 | $202,246 | $230,000 | $0 | $432,246 | $432,246 |
| 2018 | $202,806 | $175,000 | $0 | $377,806 | $377,806 |
| 2017 | $203,927 | $150,000 | $0 | $353,927 | $353,927 |
| 2016 | $206,167 | $125,000 | $0 | $331,167 | $331,167 |
| 2015 | $205,236 | $125,000 | $0 | $330,236 | $330,236 |
| 2014 | $208,964 | $125,000 | $0 | $333,964 | $333,964 |
| 2013 | $211,178 | $112,000 | $0 | $323,178 | $323,178 |
| 2012 | $213,391 | $112,000 | $0 | $325,391 | $325,391 |
| 2011 | $215,604 | $140,000 | $0 | $355,604 | $355,604 |
| 2010 | $218,502 | $140,000 | $0 | $358,502 | $358,502 |
| 2009 | $227,498 | $160,000 | $0 | $387,498 | $387,498 |
| 2008 | $123,980 | $215,000 | $0 | $338,980 | $338,980 |
| 2007 | $0 | $132,500 | $0 | $132,500 | $132,500 |
Deed and Sales History
| 1 | 10/05/2020 | QCD | Quit Claim Deed | BLAKELY, BRIAN | BLAKELY, BRIAN L | | | $0.00 | 45176 | 4499045 |
| 2 | 04/15/2006 | ESTSEPPROP | Establish Separate Property | BLAKELY, BRIAN | BLAKELY, BRIAN | | | $0.00 | 61769 | 4168368 |
| 3 | 09/28/1998 | WD | Warranty Deed | STEEN, JOHN C | BLAKELY, BRIAN | | | $55,000.00 | 83834 | 98020737 |
| 4 | 07/01/1990 | WD | Warranty Deed | GILBERTSON, SHIRLEY D | STEEN, JOHN C | | | $25,000.00 | 4560 | 90015038 |
| 5 | 04/01/1988 | DECREE | Divorce Decree/Legal Separation | GILBERTSON, ALLEN | GILBERTSON, SHIRLEY D | | | $0.00 | 81423 | 88005314 |
| 6 | 08/01/1982 | OTHER | Other - Misc. Documents | Unknown | GILBERTSON, ALLEN | | | $0.00 | 0 | 399589 |
Payout Agreement
| No payout information available.. |